header graphic on every page. Includes Company name amd contact info
Wheel Assembly 


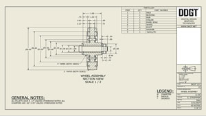
The Wheel Assembly project was completed using Inventor Professional. This project was to construct the wheel assembly from a working drawing and then modeling it in 3d. The first image is the final assmebly put together. The second image is the drawing with dimensions placed for all included parts. The third image is an exploded view showing all parts included in 3d of the wheel assembly.


Thumbnail image of Wheel Assembly
Thumbnail image of Dimensioned Drawing
Thumbnail image of Wheel Assembly in an exploded view